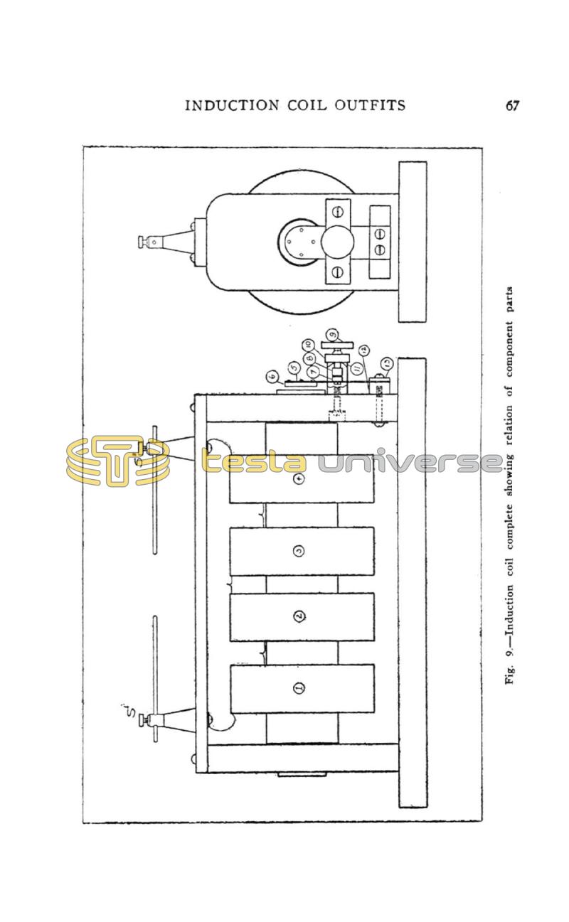
Nikola Tesla Books Books written by or about Nikola Tesla High Frequency Apparatus Page 67 Ha INDUCTION COIL OUTFITS 67 â 1 Fig. 9.-Induction coil complete showing relation of component parts Pagination First page First item Previous page Previous item Next page Next item Last page Last item Within the Universe Documents Nikola Tesla documents, files and papers. Quotes Profound and insightful quotes by Nikola Tesla. Patents Nikola Tesla held around 200 patents worldwide. Timeline Important moments and events related to Tesla. Articles Nikola Tesla in the press. Images Nikola Tesla image and photo library. Landmarks Locations related to Nikola Tesla. Letters Letters to, from and about Nikola Tesla. Movies and TV Nikola Tesla on the screen.