
TCBA - Tesla Coil Builders Association
Devoted to the construction, operation and theoretical analysis of the Tesla coil

TCBA News Volume 13 - Issue 2
2nd Quarter
1994
Highlights
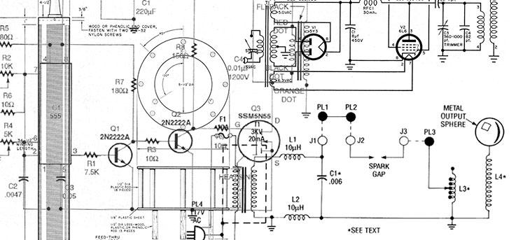
Book, Wireless Telegraphy And High Freq Electricity, H. Twining · Exhibition, New York Electrical · Ovington, Earle L, Dedication · Twining, H. Lav, Dedication · Book, Loving Little Egypt · Book, The Picture Book Of Niagara Falls, Pierre Berton · Magazine, High Voltage Projects, Issue Canceled · Magazine, Radio Age, Donald & Norma Patterson · Magazine, Smart Electronics · Martin, Charles D, Obituary · Nikola Tesla Award, IEEE · Teslathon, Tesla Coil Builders Of Richmond, TCBOR · Archer, David, Video Segments · Book, Heroes Of American Revolution, L. Sprague De Camp · Invention, Discovery Channel · Radione, Nuts & Volts, Project, Nick Goss · Video Segment, How'd They Do That?, CBS · Wire, Exploding, Followup · Transformers, Sale, Copeland, David · Spark Coil, Ford, Experiments With, Harold Held · Choke, Hour Glass, Input-Output · Transformer, Power Factor, Input-Output · Transformer, Protection Of, Input-Output · Oudin Resonator, High Frequency Apparatus · Letter, To Don Lancaster, From Harry Goldman, TCBA · Project, Living Room Tesla Coil, Gary Legel · Rotary Spark Gap, Adjustable, Speed Control, Thomas W. Story · Nikola Tesla, Radar Pioneer, Emile Girardeau · Coupling, Using Your Stereo To Measure, Mark Barton · Questions And Answers · Rectifier, Active Hi-voltage, Project, Dave Smith · Solid State, Induction Coil, Project, Dan Smith · Arc Line Meter, Segmented, Bob Svangren, NWTCB · Project, D.C. Cutin Tesla Coil, Bob Svangren, NWTCB · Waves, Ultra Sound, Marvels Of, Raymond B. Wailes · Magnifier, Tesla, #8, Richard Hull, TCBOR · Rotary Spark Gaps, For Sale, Wingate Electric
This TCBA issue is reserved for members.