Newspaper and magazine articles related to Nikola Tesla

Nikola Tesla Articles

Newspaper and magazine articles related to Nikola Tesla

The Use of Ground in High-Frequency Circuits

June, 1969
Page number(s):
71, 72

Did you know that any body, even our own earth, has capacitance even when it is apart from all other objects in the universe!

by George W. Lagus

Fig. 1. Computing the capacitance of a sphere where the entire surface is a conducting metal is given in the equation below. "r" is the radius of the sphere in centimeters.

Radio receivers often have a ground terminal in addition to an external antenna terminal. But, curiously enough, when only a single wire is available, much better reception is obtained by connecting it to the antenna terminal. Obviously, most receivers need an antenna more than they need a ground. This is because most receivers have a chassis of sufficient size that it functions as an artificial ground by virtue of its single-terminal capacitance.

It may come as a surprise to many that there are two types of capacitance (unipolar, or single terminal; and bipolar, or two terminal). According to electrostatic theory, every individual conducting body can serve as a charge reservoir. This property may be called single-terminal capacitance, and it is best typified by an insulated metallic sphere (see Fig. 1) capable of holding a static charge of a single polarity. Such a sphere has a capacitance of 10/9 uuF per centimeter of radius.

Fig. 2. The dipole antenna (A) needs no ground terminal to function normally. Each leg (pole) of the antenna serves as a single-terminal capacitor. Remove one leg (B) and you have an antenna which uses ground as a single-terminal capacitor.

Antenna And Ground Capacitance. The larger a capacitance, the less voltage is needed to cause a specific high frequency current to flow into it. Every antenna element therefore has to have some capacitance as a charge reservoir. A dipole antenna system as in Fig. 2A needs no ground. A loop antenna also works well without ground. However, when a dipole antenna is deprived of one element, optimum RF current may be obtained by providing a single-terminal capacitance (a ground) to substitute for the charge reservoir characteristic of the missing antenna element (Fig. 2B).

If we figure the radius of the earth as 637 million centimeters, we obtain approximately 707 F as the static capacitance of ground. Less than a millionth of this amount is more than enough to complement a typical radio receiving antenna. Therefore, the capacitance of the receiver chassis is usually sufficient as an antenna balance.

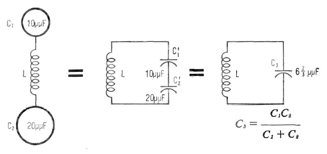
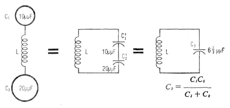
Since single-terminal capacitances affect the tuning of resonant circuits, the equivalent circuit diagrams of Fig. 3 may be useful in visualizing the effects of two unipolar (single-terminal) capacitances in terms of an equivalent bipolar capacitor.

Fig. 3. Equivalent circuits showing the qualitative effect of single-terminal capacitances. Note that the smaller capacitance is the limiting factor of the combination. If C₂ were increased to infinity, the equivalent capacitance of the combination would approach 10 μμF as a limit.

Chassis capacitance may also be used as a potential stabilizer. This application is best illustrated by considering the "cooling" effect of the chassis on one end of the high-voltage supply in a typical TV receiver. Though the chassis is connected to one end of a 20,000-volt high frequency transformer, it is quite safe to touch the metal.

Both Needed. It should be clear from the foregoing example that in open circuit operations a two-terminal capacitor may be of little use, while on the other hand, single-terminal capacitors are grossly inefficient as replacements for two-terminal capacitors.

Modern technology can produce a pocket-size electrolytic capacitor of the same magnitude of capacitance as that possessed by the entire earth, namely 707 uF. From the international definition of the Farad in terms of the charge/voltage ratio of a capacitor, it is easy to deduce the following: if a mad basement inventor somewhere in the world managed to pump 707 Ampere-seconds DC unilaterally into the ground, the entire earth would become charged to one million volts of electrostatic potential. That's enough to literally make everyone's hair stand on end. Fortunately, no one can obtain that much unipolar electricity apart from its opposite kind. But the scheme would become practical if one could use the planet Venus, via a space cable, to balance the open circuit. If a ground wire and a Venus cable were each plugged into the opposite terminal of a 110 VDC power outlet, the stored energy would barely be sufficient to light a two-watt bulb for one second.

Big Charge. But since the energy stored in a capacitance is proportional to the square of the voltage, it would take about 197 kW hours to charge earth and Venus to an opposite potential of 1,000,000 volts.

Some old-timers among our radio buffs may remember that the late genius Nikola Tesla (1857-1943) gave several demonstrations of the feasibility of electrifying large areas of land by ground propagation of high frequency currents. He was ridiculed as a mad inventor when he proposed the scheme of electrifying the entire earth by taking advantage of its natural AC resonance.

Of course, ground is being used as part of low frequency two-conductor systems, as for instance in telegraphy, telephony and AC power transmission. But ground has too much HF power loss to be used efficiently as a one-conductor transmission line. Its main use in HF work is that of an auxiliary capacitance, or charge reservoir.

Downloads

Downloads for this article are available to members.
Log in or join today to access all content.